API 602 Forged steel globe valve
Technical Specifications
Item model number: J41Y
Nominal diameter: DN15-DN50, 1/2"-2"
Nominal pressure: 150LB-1500LB
Applicable medium: water, oil, steam, etc.
Applicable temperature: -20℃-550℃
Body material: A105, stainless steel
Connection method: flange connection
Sales Hotline:
Product Details
Product Structure Features
valve body and bonnet are manufactured by forged steel materials, such as ASTM A105, A182 F11, F5, F304, F304L, F316, F316L, etc. Valves are mainly used in firepower plants for control of air, water, steam and other corrosive flows.
The main structure features include:
1.Rapid opening and closing;
2.Sealing surface without any abrasion when opening and closing ,with long life.
3.Single structure , easy for repairing.
4.When valve is full opened, the sealing surface suffered small friction from the working medium;
5.Soft sealing design can be chosen
6.Y pattern body design can be chosen;
7.Pressure seal bonnet or welded bonnet can be chosen;
8.Spring loaded packing can be chosen;
9.Low emission packing can be chosen according to ISO 15848 requirement
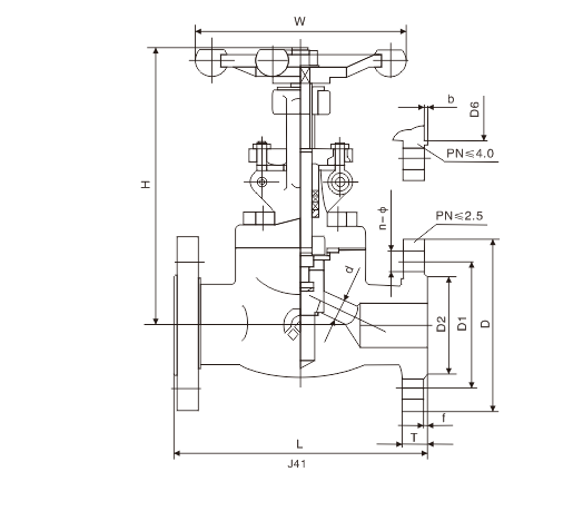
Main external connection dimensions and weight
| NPS(in) | 1/2" | 3/4" | 1" | 1-1/4" | 1-1/2" | 2" | ||
|
L(RF) L1(BW) |
150Lb | 108 | 117 | 127 | 140 | 165 | 203 | |
| 300Lb | 152 | 178 | 203 | 216 | 229 | 267 | ||
| 600Lb | 165 | 190 | 216 | 229 | 241 | 292 | ||
| H(ON) | 150Lb~300Lb | 166 | 171 | 207 | 240 | 258 | 330 | |
| 600Lb | 171 | 207 | 240 | 258 | 330 | 380 | ||
| W | 100 | 100 | 125 | 160 | 160 | 180 | ||
| WT (Kg) | 150Lb | RF | 4.5 | 6.9 | 9.8 | 13.5 | 19.5 | 28.0 |
| BW | 2.3 | 3.6 | 7.8 | 8.2 | 12.0 | 15.0 | ||
| 300Lb | RF | 4.8 | 7.7 | 11.0 | 16.8 | 21.2 | 32.6 | |
| BW | 2.8 | 4.0 | 8.5 | 9.2 | 12.6 | 16.8 | ||
| 600Lb | RF | 5.6 | 7.8 | 12.5 | 17.0 | 23.5 | 38.8 | |
| BW | 3.4 | 4.7 | 9.2 | 10.5 | 13.3 | 18.9 | ||

Check the mobile website