Lift-type fluorine-lined check valve
Technical Specifications
Item model number: H41F46
Nominal diameter: DN15mm-2500mm
Nominal pressure: PN0.6 MPa ~1.6 MPa
Body test: PN×1.5 MPa
Seal detection: PN×1.1 MPa
Test standard: GB/T13927-2008
Lining inspection: EDM inspection
Disc Material: Carbon Steel Fully Coated with Fluoroplastic
Applicable temperature: ≤80℃, ≤100℃, ≤120℃, ≤150℃
Sales Hotline:
Product Details
Product Description
The lift-type fluorine-lined check valve is also called a check valve. The internal flow channel seal of the valve body is fully lined with PTFE, which has the characteristics of high strength and good corrosion resistance. It is suitable for various concentrations of aqua regia, sulfuric acid, hydrochloric acid, hydrofluoric acid and various organic acids, strong acids and strong oxidants at temperatures of -50℃~150℃. FEP is also suitable for various concentrations of strong alkali organic solvents and other corrosion products. It is used to prevent the backflow of the medium on the pipeline of the inert gas and liquid medium.
Working Principle
During the use of the lift-type fluorine-lined check valve, the medium flows in the direction of the arrow shown in the figure. When the medium flows in the specified direction, the valve disc is opened by the force of the medium; when the medium flows backward, the valve disc and the sealing surface of the valve seat are tightly closed due to the self-weight of the valve disc and the action of the reverse force of the medium by the valve disc. Close to prevent the reverse flow of the medium.
Material of main parts
|
NO |
Part Name |
Grey cast iron |
Cast steel |
Stainless acid-resistant cast steel |
Ultra-low carbon stainless acid-resistant cast steel |
||
|
Z |
C |
P |
R |
PL |
RL |
||
|
1 |
Body/bonnet |
HT250 |
WCB |
CF8 |
CF8M |
CF3 |
CF3M |
|
2 |
Disc/Stem |
35 |
1Cr13 |
1Cr18Ni9 |
1Cr18Ni12Mo2Ti |
00Cr18Ni10 |
00Cr17Ni14Mo2 |
|
3 |
Lining/Seat |
PCTEF(F3),FEP(F46),PFA(SolubleF4),PP,PO |
|||||
|
4 |
Fastening bolts |
WCB |
1Cr17Ni2 |
1Cr18Ni9Ti |
|||
|
5 |
Nut |
PTFE(F4) |
CF8 |
CF8 |
|||
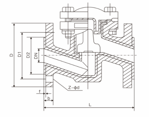
Main external connection dimensions
|
DN |
Main dimensions |
Reference |
|||||||||
|
DN mm |
NPS inch |
L | L1 | L2 | D | D1 | D2 | b | f | Z- φd | WT (kg) |
| PN1.0MPa | |||||||||||
| 15 | 1/ 2 | 130 | 130 | 80 | 95 | 65 | 45 | 16 | 2 | 4-φ14 | 5 |
| 20 | 3 /4 | 150 | 150 | 90 | 105 | 75 | 58 | 18 | 2 | 4-φ14 | 6 |
| 25 | 1 | 160 | 160 | 100 | 115 | 85 | 68 | 18 | 2 | 4-φ14 | 7 |
| 32 | 11/4 | 180 | 180 | 110 | 140 | 100 | 78 | 18 | 2 | 4-φ18 | 8 |
| 40 | 11/2 | 200 | 200 | 125 | 150 | 110 | 88 | 18 | 2 | 4-φ18 | 10 |
| 50 | 2 | 230 | 230 | 140 | 165 | 125 | 102 | 18 | 2 | 4-φ18 | 12 |
| 65 | 21/2 | 290 | 290 | 160 | 185 | 145 | 122 | 18 | 2 | 8-φ18 | 18 |
| 80 | 3 | 310 | 310 | 185 | 200 | 160 | 138 | 20 | 2 | 8-φ18 | 28 |
| 100 | 4 | 350 | 350 | 210 | 220 | 180 | 158 | 20 | 2 | 8-φ18 | 37 |
| 125 | 5 | 400 | 400 | 250 | 250 | 210 | 188 | 22 | 2 | 8-φ18 | 58 |
| 150 | 6 | 480 | 480 | 300 | 285 | 240 | 212 | 22 | 2 | 8-φ22 | 75 |
| 200 | 8 | 600 | 495 | 380 | 340 | 295 | 268 | 24 | 2 | 8-φ22 | 120 |
| 250 | 10 | 730 | 600 | 420 | 395 | 350 | 320 | 26 | 2 | 12-φ22 | 160 |
| PN1.6MPa | |||||||||||
| 15 | 1/ 2 | 130 | 130 | 80 | 95 | 65 | 45 | 16 | 2 | 4-φ14 | 5 |
| 20 | 3 /4 | 150 | 150 | 90 | 105 | 75 | 58 | 18 | 2 | 4-φ14 | 6 |
| 25 | 1 | 160 | 160 | 100 | 115 | 85 | 68 | 18 | 2 | 4-φ14 | 7 |
| 32 | 11/4 | 180 | 180 | 110 | 140 | 100 | 78 | 18 | 2 | 4-φ18 | 8 |
| 40 | 11/2 | 200 | 200 | 125 | 150 | 110 | 88 | 18 | 2 | 4-φ18 | 10 |
| 50 | 2 | 230 | 230 | 140 | 165 | 125 | 102 | 18 | 2 | 4-φ18 | 12 |
| 65 | 21/2 | 290 | 290 | 160 | 185 | 145 | 122 | 18 | 2 | 8-φ18 | 18 |
| 80 | 3 | 310 | 310 | 185 | 200 | 160 | 138 | 20 | 2 | 8-φ18 | 28 |
| 100 | 4 | 350 | 350 | 210 | 220 | 180 | 158 | 20 | 2 | 8-φ18 | 37 |
| 125 | 5 | 400 | 400 | 250 | 250 | 210 | 188 | 22 | 2 | 8-φ18 | 58 |
| 150 | 6 | 480 | 480 | 300 | 285 | 240 | 212 | 22 | 2 | 8-φ22 | 75 |
| 200 | 8 | 600 | 495 | 380 | 340 | 295 | 268 | 24 | 2 | 12-φ22 | 120 |
| 250 | 10 | 730 | 600 | 420 | 405 | 355 | 320 | 26 | 2 | 12-φ26 | 160 |

Check the mobile website