微阻缓闭止回阀
产品详情
产品概述
HH44T/X/H微阻缓闭止回阀用于给排水管道,安装在水泵出口处再来防止介质逆流和消除破坏性水锤,并能有效地减少阀门关闭水锤压力,可保障管网安全运行。它具有阀瓣轻、开度大、节电效果显著,流体阻力小,水锤消除机构设计新颖,密封性能稳定可靠、耐磨损、使用寿命长、运行平稳、无振动、无噪声等特点。
结构特点
1.结构长度短,其结构长度只有传统法兰止回阀的1/4~1/8
2.体积小、重量轻、其重量只有传统微阻缓闭止回阀的1/4~1/20
3.阀瓣关闭快速,水锤压力小
4.水平或垂直管道均可使用,安装方便
5.流道通畅、流体阻力小
6.动作灵敏、密封性能好
7.阀瓣行程短、关阀冲击力小
8.整体结构、简单紧凑、造型美观
9.使用寿命长、可靠性高
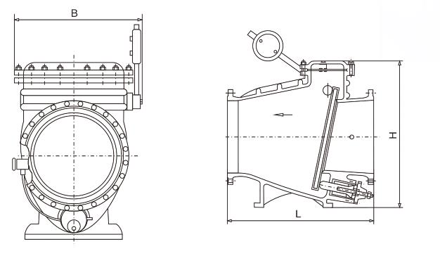
产品尺寸
| DN | 40 | 50 |
65 |
80 |
100 |
125 |
150 |
200 |
250 |
300 |
350 |
400 |
450 |
500 |
600 |
700 |
800 |
| L | 200 | 230 | 290 | 310 | 350 | 400 | 480 | 500 | 600 | 700 | 800 | 900 | 1000 | 1100 | 1300 | 1400 | 1500 |
| H | 300 | 300 | 320 | 354 | 350 | 380 | 500 | 580 | 670 | 730 | 820 | 920 | 950 | 1100 | 1200 | 1550 | 1700 |
| H1 | 220 | 270 | 290 | 300 | 320 | 340 | 410 | 450 | 550 | 580 | 630 | 700 | 800 | 900 | 990 | 1120 | 1300 |

查看手机网站