电站高压旋启式止回阀
技术参数
产品型号:H64H/W/Y
公称通径:NPS2"~36"
公称压力:Class150~2500LB
适用介质:水、油品、蒸汽等
设计制造:ASME B16.34 E101
结构长度:ASME B16.10 E101
压力温度:ASME B16.34 E101
试验检验:API598 E101
销售热线:
产品详情
产品概述
电站高压旋启式止回支管两端为焊结结构,焊结坡口可按标准或用户要求制作。具有耐磨、耐高温、抗腐蚀、抗擦伤、使用寿命长等优点。适用于工作压力Class 1500~2500,工作温度-29~570℃的火电厂、石油化工、冶金等高温高压的水、蒸气、油品、过热蒸汽的管道上,作防止介质回流的装置。
产品特点
1、产品设计制造按ANSI B16.34、E101标准,可与进口设备配备使用。
2、采用压力自密封式密封结构,密封可靠,适用于超高压、高温工况。
3、阀瓣、阀座的密封面采用司太立(stellite)钴基硬质合金堆焊而成,耐磨、耐高温,抗擦伤性能好、使用寿命长。
4、旋启式阀瓣依靠自重和介质力自行关闭。
5、阀瓣围绕阀座外的销轴旋转,减少关闭时发生猛烈冲击。
6、内装式的销轴结构,减小外泄漏点,使用更可靠。
主要零件材料
| 零件名称 | 材料牌号 | |||
| 阀体 | WCB | WC1 | WC6 | WC9 |
| 阀座 | A105 | 15CrMoA | 12Cr1MoVA | |
| 阀瓣 | WCB | WC1 | WC6 | WC9 |
| 摇杆 | WCB | WC1 | WC6 | WC9 |
| 阀盖 | A105 | 15CrMoA | 12Cr1MoVA | |
| 密封环 | 1Cr17Ni2 | 12Cr1MoVA | ||
| 密封环 | S软钢(增强柔性石墨) | S软钢 | F软钢 | |
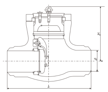
主要外形连接尺寸(H64Y-1500Lb H64Y-250/P55140V)
| NPS(in) | d | L | H | WT(kg) |
| 2-1/2 | 56 | 254 | 282 | 57 |
| 3 | 64 | 325 | 300 | 57 |
| 4 | 84 | 406 | 350 | 80 |
| 5 | 100 | 483 | 425 | 115 |
| 6 | 126 | 559 | 400 | 180 |
| 8 | 158 | 711 | 490 | 270 |
| 10 | 200 | 864 | 540 | 430 |
| 12 | 250 | 991 | 650 | 630 |
| 14 | 280 | 1067 | 710 | 1400 |
主要外形连接尺寸(H64Y-2000Lb H64Y-320/P55170V)
| NPS(in) | d | L | H | WT(kg) |
| 2-1/2 | 50 | 330 | 240 | 40 |
| 3 | 60 | 368 | 305 | 60 |
| 4 | 80 | 457 | 315 | 95 |
| 5 | 96 | 533 | 409 | 170 |
| 6 | 118 | 610 | 465 | 186 |
| 8 | 147 | 762 | 528 | 415 |
| 10 | 180 | 914 | 613 | 658 |
| 12 | 222 | 1041 | 680 | 1200 |
| 14 | 254 | 1118 | 745 | 1638 |
主要外形连接尺寸(H64Y-2500Lb H64Y-420/P55250V)
| NPS(in) | d | L | H | WT(kg) |
| 3 | 54 | 368 | 297 | 44 |
| 4 | 70 | 457 | 385 | 110 |
| 5 | 86 | 533 | 410 | 130 |
| 6 | 104 | 610 | 455 | 192 |
| 8 | 130 | 762 | 557 | 466 |
| 10 | 162 | 914 | 615 | 730 |
| 12 | 210 | 1041 | 715 | 1120 |
| 14 | 234 | 1118 | 790 | 1495 |
| 16 | 264 | 1245 | 815 | 1950 |
| 18 | 304 | 1397 | 815 | 2400 |

查看手机网站