衬氟止回阀
技术参数
产品型号:H41F46
公称通径:DN15mm-2500mm
公称压力:PN0.6 MPa ~1.6 MPa
阀体测试:PN×1.5 MPa
密封检测:PN×1.1 MPa
试验标准:GB/T13927-2008
衬里检测:电火花检测
阀瓣材料:碳钢完全包覆氟塑料
适用温度:≤80℃、≤100℃、≤120℃、≤150℃
销售热线:
产品详情
产品概述
衬氟止回阀是阀体内部流道密封均采用全衬四氟,具有强度高、耐腐蚀性能好的特点。其适用在-50℃~150℃的各种浓度的王水、硫酸、盐酸、氢氟酸和各种有机酸、强酸、强氧化剂,FEP还适用于各种浓度的强碱有机溶剂以及其它腐蚀性气体、液体介质的管路上,用来防止介质的倒流。
主要零部件材料
|
序号 |
零件名称 |
灰铸铁 |
铸钢 |
不锈耐酸铸钢 |
超低碳不锈耐酸铸钢 |
||
|
Z |
C |
P |
R |
PL |
RL |
||
|
1 |
阀体/阀盖 |
HT250 |
WCB |
CF8 |
CF8M |
CF3 |
CF3M |
|
2 |
阀瓣/阀杆 |
35 |
1Cr13 |
1Cr18Ni9 |
1Cr18Ni12Mo2Ti |
00Cr18Ni10 |
00Cr17Ni14Mo2 |
|
3 |
衬里/阀座 |
PCTEF(F3),FEP(F46),PFA(可溶F4),PP,PO |
|||||
|
4 |
紧固螺栓 |
WCB |
1Cr17Ni2 |
1Cr18Ni9Ti |
|||
|
5 |
螺母 |
PTFE(F4) |
CF8 |
CF8 |
|||
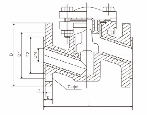
主要外形和连接尺寸
|
公称通径(DN) |
主要尺寸 |
参考值 |
|||||||||
|
DN mm |
NPS inch |
L | L1 | L2 | D | D1 | D2 | b | f | Z- φd | WT (kg) |
| PN1.0MPa | |||||||||||
| 15 | 1/ 2 | 130 | 130 | 80 | 95 | 65 | 45 | 16 | 2 | 4-φ14 | 5 |
| 20 | 3 /4 | 150 | 150 | 90 | 105 | 75 | 58 | 18 | 2 | 4-φ14 | 6 |
| 25 | 1 | 160 | 160 | 100 | 115 | 85 | 68 | 18 | 2 | 4-φ14 | 7 |
| 32 | 11/4 | 180 | 180 | 110 | 140 | 100 | 78 | 18 | 2 | 4-φ18 | 8 |
| 40 | 11/2 | 200 | 200 | 125 | 150 | 110 | 88 | 18 | 2 | 4-φ18 | 10 |
| 50 | 2 | 230 | 230 | 140 | 165 | 125 | 102 | 18 | 2 | 4-φ18 | 12 |
| 65 | 21/2 | 290 | 290 | 160 | 185 | 145 | 122 | 18 | 2 | 8-φ18 | 18 |
| 80 | 3 | 310 | 310 | 185 | 200 | 160 | 138 | 20 | 2 | 8-φ18 | 28 |
| 100 | 4 | 350 | 350 | 210 | 220 | 180 | 158 | 20 | 2 | 8-φ18 | 37 |
| 125 | 5 | 400 | 400 | 250 | 250 | 210 | 188 | 22 | 2 | 8-φ18 | 58 |
| 150 | 6 | 480 | 480 | 300 | 285 | 240 | 212 | 22 | 2 | 8-φ22 | 75 |
| 200 | 8 | 600 | 495 | 380 | 340 | 295 | 268 | 24 | 2 | 8-φ22 | 120 |
| 250 | 10 | 730 | 600 | 420 | 395 | 350 | 320 | 26 | 2 | 12-φ22 | 160 |
| PN1.6MPa | |||||||||||
| 15 | 1/ 2 | 130 | 130 | 80 | 95 | 65 | 45 | 16 | 2 | 4-φ14 | 5 |
| 20 | 3 /4 | 150 | 150 | 90 | 105 | 75 | 58 | 18 | 2 | 4-φ14 | 6 |
| 25 | 1 | 160 | 160 | 100 | 115 | 85 | 68 | 18 | 2 | 4-φ14 | 7 |
| 32 | 11/4 | 180 | 180 | 110 | 140 | 100 | 78 | 18 | 2 | 4-φ18 | 8 |
| 40 | 11/2 | 200 | 200 | 125 | 150 | 110 | 88 | 18 | 2 | 4-φ18 | 10 |
| 50 | 2 | 230 | 230 | 140 | 165 | 125 | 102 | 18 | 2 | 4-φ18 | 12 |
| 65 | 21/2 | 290 | 290 | 160 | 185 | 145 | 122 | 18 | 2 | 8-φ18 | 18 |
| 80 | 3 | 310 | 310 | 185 | 200 | 160 | 138 | 20 | 2 | 8-φ18 | 28 |
| 100 | 4 | 350 | 350 | 210 | 220 | 180 | 158 | 20 | 2 | 8-φ18 | 37 |
| 125 | 5 | 400 | 400 | 250 | 250 | 210 | 188 | 22 | 2 | 8-φ18 | 58 |
| 150 | 6 | 480 | 480 | 300 | 285 | 240 | 212 | 22 | 2 | 8-φ22 | 75 |
| 200 | 8 | 600 | 495 | 380 | 340 | 295 | 268 | 24 | 2 | 12-φ22 | 120 |
| 250 | 10 | 730 | 600 | 420 | 405 | 355 | 320 | 26 | 2 | 12-φ26 | 160 |

查看手机网站