Micro-resistance slow-closing check valve
Technical Specifications
Item model number: HH44X
Nominal pressure: PN1.0~2.5MPa
Nominal diameter: DN40~800mm
Applicable medium: water, weak corrosive liquid
Applicable temperature: 0~80℃ (up to 200℃ if necessary)
Flange standard: GB/T 17241.6 GB/T 9113
Test standard: GB/T 13927 AP1598
Sales Hotline:
Product Details
Product Description
The micro-resistance slow-closing check valve is used for water supply and drainage pipelines. It is installed at the outlet of the pump to prevent the backflow of the medium and eliminate the destructive water hammer, and effectively reduce the pressure of the valve closing water hammer, which can ensure the safe operation of the pipeline network. It has the characteristics of light valve disc, large opening, significant power saving effect, small fluid resistance, novel design of water hammer elimination mechanism, stable and reliable sealing performance, wear resistance, long service life, stable operation, no vibration and no noise.
Material Of Main Parts
|
Part Name |
Body, bonnet |
Disc |
Shaft |
|
Material |
Grey cast iron, cast steel |
Steel plate and rubber assembly |
Stainless steel |
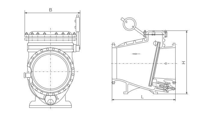
Main External Connection Dimensions
|
DN(mm) |
40 |
50 |
65 |
80 |
100 |
125 |
150 |
200 |
250 |
300 |
350 |
400 |
450 |
500 |
600 |
700 |
800 |
|
H |
200 |
230 |
290 |
310 |
350 |
400 |
480 |
500 |
600 |
700 |
800 |
900 |
1000 |
1100 |
1300 |
1400 |
1500 |
|
L |
300 |
300 |
320 |
354 |
350 |
380 |
500 |
580 |
670 |
730 |
820 |
920 |
950 |
1100 |
1200 |
1550 |
1700 |
|
B |
220 |
270 |
290 |
300 |
320 |
340 |
410 |
450 |
550 |
580 |
630 |
700 |
800 |
900 |
990 |
1120 |
1300 |

Check the mobile website